Un zumbador activo compacto de 12 mm que emite una alarma clara de 2500 Hz. Diseñado para su integración en paneles de control, electrodomésticos y dispositivos electrónicos.

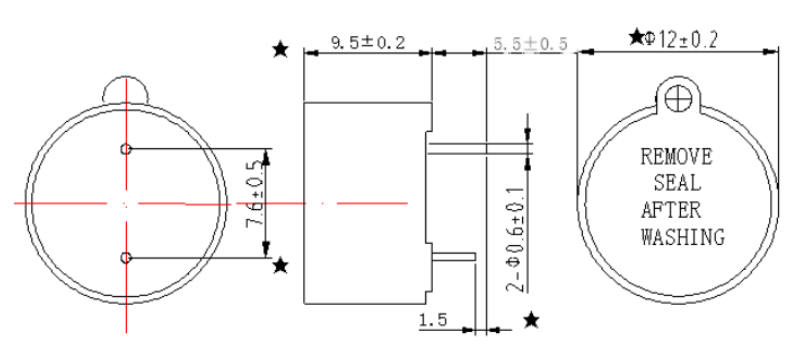
Este compacto zumbador electromagnético activo de Φ12,0 × 9,5 mm (modelo: ECM-12095BZ-5V2500HZ) está diseñado para su integración en grandes volúmenes por parte de fabricantes de equipos originales. Funciona con 5 V CC y cuenta con un circuito oscilador integrado que produce un tono de alerta fijo de 2500 Hz en el momento en que se aplica la alimentación.
Su sencillo funcionamiento “encender y sonido activado” elimina la necesidad de controladores externos, lo que lo convierte en una opción confiable y rentable para controles industriales, electrodomésticos, placas base de computadoras y dispositivos electrónicos que requieren una señal acústica sencilla.

Diseño interno: Combina una bobina, un imán y un circuito oscilador integrado. Cuando se aplica voltaje de CC, el oscilador acciona la bobina, lo que hace que un diafragma vibre a la frecuencia establecida.
Ventaja clave: En comparación con los zumbadores pasivos, este tipo activo simplifica el diseño, ya que no se necesita un microcontrolador PWM ni un temporizador externo. Basta con cambiar la alimentación de CC para controlar el sonido.

Tamaño compacto (Φ12,0 × 9,5 mm) con configuración de pines estándar para facilitar el montaje en PCB con orificios pasantes. El diagrama incluye el área de exclusión recomendada en la PCB para una proyección de sonido óptima y un espacio libre de montaje.
Los parámetros clave de rendimiento se verifican en condiciones de prueba estándar controladas para garantizar la fiabilidad y la consistencia necesarias para la producción en masa.

El nivel de presión sonora (≥85 dB) se mide a una distancia estándar de 10 cm en un entorno de campo libre. La frecuencia y la corriente se supervisan utilizando el circuito de accionamiento recomendado.
Este zumbador se utiliza ampliamente como componente de alerta estándar en:
Suministramos este componente como estándar a fabricantes de todo el mundo. El soporte incluye:
Para obtener hojas de datos, muestras o discutir los requisitos de volumen de su proyecto, póngase en contacto con nuestro equipo de ventas.

Nuestra producción cumple las normas ISO 9001:2015 e ISO 14001:2015 y está adaptada para aplicaciones de automoción bajo la norma IATF 16949:2016, lo que garantiza una gestión integral de la calidad. Además, nuestros productos cumplen con los requisitos ROHS, CE y FCC.

Realizar inspecciones de muestreo de los materiales entrantes para garantizar el cumplimiento de los requisitos estándar.

Realizar auditorías de inspección para garantizar la estabilidad y el control de todo el proceso de fabricación.

Realizar inspecciones previas al envío para garantizar que los productos cumplan con los estándares de calidad establecidos.

Prueba de ruido de fondo, sensibilidad, curva de respuesta de frecuencia e indicadores de direccionalidad.

Verificación del impacto de diferentes circuitos, dimensiones estructurales, materiales y procesos sobre los indicadores.

Pruebas de confiabilidad tanto en la etapa de diseño de nuevos productos como en la etapa regular de producción en masa.

Utilizar líneas de producción totalmente automatizadas para garantizar una alta eficiencia y coherencia.

Equipado con instalaciones de última generación, incluido un taller libre de polvo de nivel 10.000.

Empleando un riguroso proceso de 21 pasos para garantizar la estabilidad del producto.
Zumbador activo de 5 V para alarmas industriales y de electrodomésticos
Valoraciones
No hay ninguna reseña todavía