Microphone MEMS analogique haute performance avec une sensibilité de -42dBV/Pa ±1dB, un SNR de 58dB et un AOP de 132dB. Immunité RF exceptionnelle et cohérence d'une unité à l'autre pour les smartphones, les tablettes et les réseaux de microphones.
Indiquez-nous l'état d'avancement de votre projet. Notre équipe d'ingénieurs vous répondra en conséquence.
Échantillons : 1-3 semaines
Production en série : 2-4 semaines
Soutien technique basé sur les applications
Structure / sensibilité / accord acoustique
5 700 pièces (1 bobine)
Par modèle / par lot de production
Conformité RoHS et UL
Fiabilité industrielle assurée
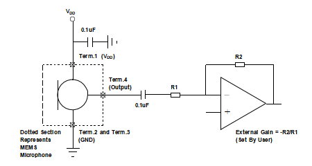
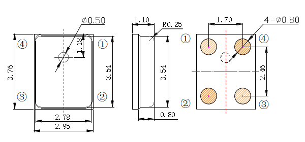
L'ECM-M3729T421 est un microphone MEMS analogique à port supérieur de haute performance conçu pour les applications audio exigeantes. Avec une sensibilité de -42dBV/Pa ±1dB et un SNR de 58dB, il offre une capture audio propre et cohérente sur une large plage dynamique. Son point de surcharge acoustique de 132 dB SPL, le plus élevé de l'industrie, garantit un enregistrement sans distorsion, même dans les environnements à volume élevé. Le microphone présente une excellente immunité aux radiofréquences, réduisant les interférences à proximité des antennes. La tension de fonctionnement est comprise entre 1,6 et 3,6 V, ce qui le rend idéal pour les appareils alimentés par batterie. Le boîtier compact de 3,76 mm x 2,95 mm x 1,10 mm s'intègre facilement dans les conceptions à espace restreint tout en maintenant des performances fiables de -40℃ à +100℃.




Notre production répond aux normes ISO 9001:2015 et ISO 14001:2015 et est adaptée aux applications automobiles conformément à la norme IATF 16949:2016, ce qui garantit une gestion complète de la qualité. la norme IATF 16949:2016, ce qui garantit une gestion complète de la qualité. En outre, nos produits sont conformes aux exigences suivantes ROHS, CE et FCC.
Effectuer des contrôles par échantillonnage des matériaux entrants afin de s'assurer de leur conformité avec les exigences standard. standard.
Réaliser des audits d’inspection pour assurer la stabilité et le contrôle de l’ensemble du processus de fabrication.
Effectuer des inspections avant expédition pour garantir que les produits répondent aux normes de qualité établies.
Test du bruit de fond, de la sensibilité, de la courbe de réponse en fréquence et des indicateurs de directionnalité.
Vérification de l'impact de différents circuits, dimensions structurelles, matériaux et processus sur les indicateurs.
Essais de fiabilité à la fois au stade de la conception du nouveau produit et au stade de la production régulière en série. de la production de masse.
Utiliser des lignes de production entièrement automatisées pour garantir une efficacité et une cohérence élevées.
Doté d'installations à la pointe de la technologie, dont un atelier sans poussière de 10 000 niveaux.
Utiliser un processus rigoureux en 21 étapes pour garantir la stabilité du produit.
Microphone numérique MEMS à haute sensibilité - Capteur audio
Microphone MEMS optimisé pour les matrices, les caméras et les ordinateurs portables
Microphone MEMS analogique haute performance - compact et à faible consommation d'énergie
Microphone MEMS à sortie numérique I²S - 4×3×1.1mm